
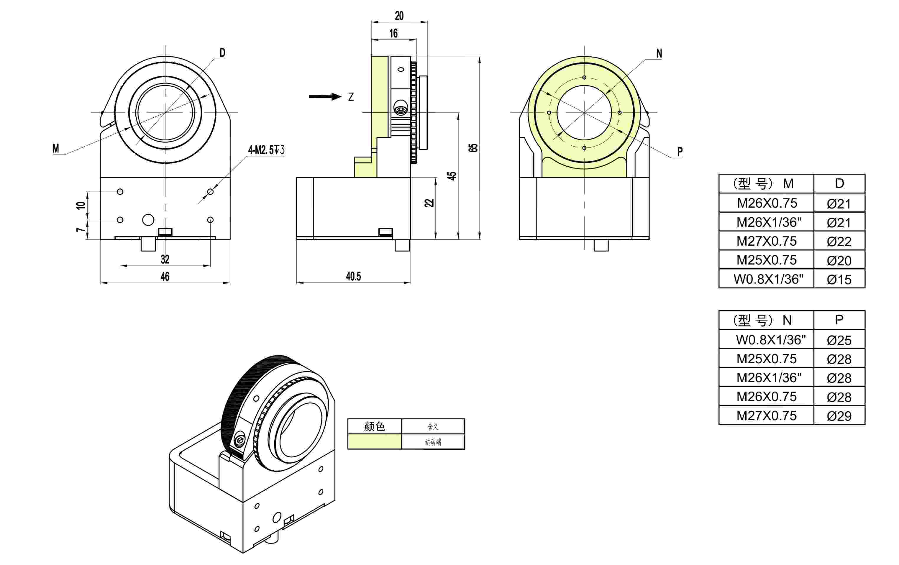
P75系列大行程压电物镜定位器可在Z轴方向实现250μm位移,承载上限可达0.2kg。采用无回差柔性铰链并联导向机构设计,无摩擦,直线性好,闭环型号定位精度高,物镜补偿量较小,具有超高聚焦稳定性。分离式螺纹适配器设计,可适配多种型号的显微镜。
产品特点

|
|
|
|
|
|
频率负载曲线
|
推荐控制器
|
产品应用

|
|
|
|
|
|
|
|
|
|
| 技术参数 | ||||
|
型号 |
尾缀S-闭环 |
P75.Z200S |
P75.Z200K |
单位 |
|
尾缀K-开环 |
||||
|
运动自由度 |
Z |
Z |
|
|
|
驱动控制 |
1路驱动,1路传感 | 1路驱动 |
|
|
|
标称行程范围(0~120V) |
200 |
200 |
µm±10% |
|
|
Max.行程范围(0~150V) |
250 |
250 |
µm±10% |
|
|
传感器类型 |
SGS |
- |
|
|
|
闭/开环分辨率 |
6 |
2.5 |
nm |
|
|
闭环线性度 |
0.125 |
- |
%F.S. |
|
|
闭环重复定位精度 |
0.05 |
- |
%F.S. |
|
|
推/拉力 |
25/10 |
25/10 |
N |
|
|
运动方向刚度 |
0.1 |
0.1 |
N/μm±20% |
|
|
空载谐振频率 |
389 |
389 |
Hz±20% |
|
|
闭环工作频率(-3dB) |
20 | - |
Hz±20% |
|
|
空载阶跃时间 |
25 |
10 |
ms±20% |
|
|
承载能力 |
0.2 |
0.2 |
kg |
|
|
静电容量 |
6.5 |
6.5 |
μF±20% |
|
|
材质 |
钢、铝 |
钢、铝 |
|
|
|
重量 |
225 |
225 |
g±5% |
|
|
|
||||||||||||


