
特点
驱动原理
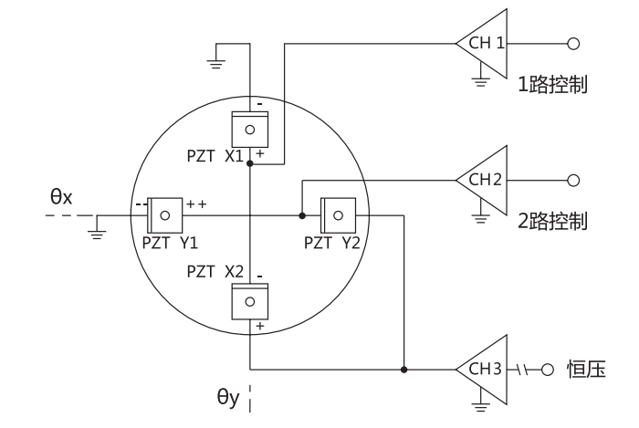
压电偏转镜(两轴运动)是基于平行运动学设计,具有共面轴及移动面。四个执行机构(压电促动器)以90°角平分放置, 成对的差分控制分布。两对差分驱动压电促动器在较大温度范围内提供最高可实现的角度稳定性。它的偏摆运动是由两对压电促动器以推拉模式来实现,采用桥式连接电路控制。
典型应用
技术参数
配套压电控制器
特点
• 模拟及数字(上位机)控制 • 三通道120V或150V输出 • 较小的尺寸、较大的输出功率 • 较低的静态功耗 • 极低的纹波噪声 • 较宽的放大器带宽 • 优异的频率响应性能 • 稳定的PI调节与控制能力及快速响应能力 • DC24V1.5A(36W) 直流供电 • 标准品/工业级/航天级/军品级可选


