
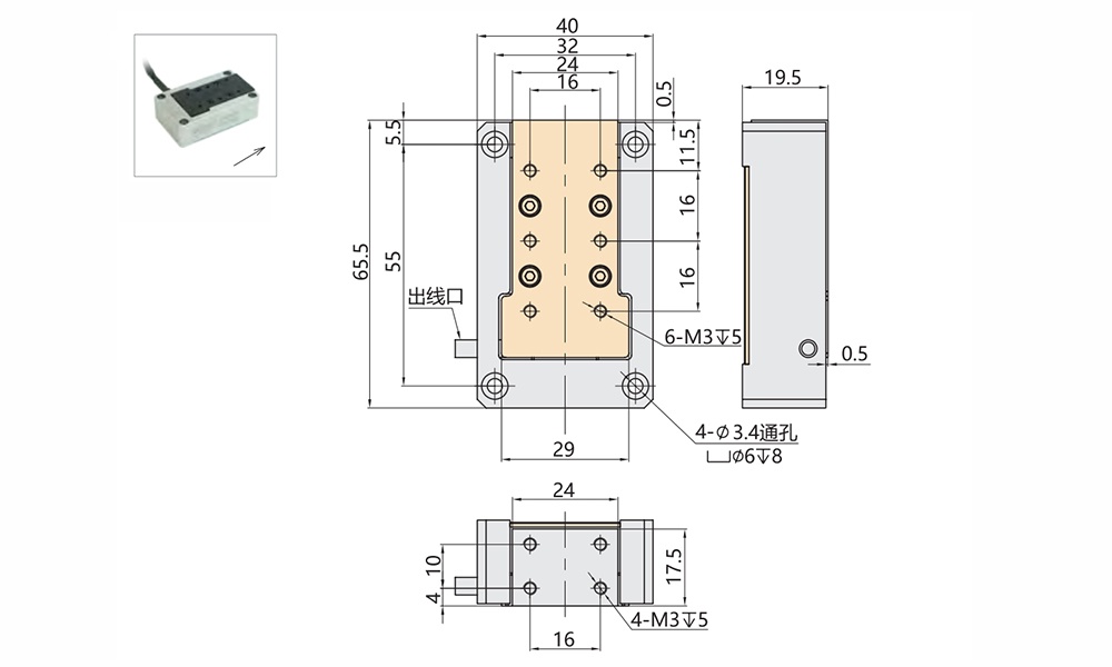
P66.X15系列高分辨率压电纳米定位台为一维X向运动压电平台,其内部采用直驱机构,可进行15μm范围内的纳米级位置调整。可采用水平、立式、倒置三种安装方式,每种安装承载能力不同,承载上限可达1kg。闭环版本可实现更高的定位精度。
产品特点

|
|
|
|
|
可定制,可选真空版
|
|
|
|
| 技术参数 | ||||
|
型号 |
尾缀S-闭环 尾缀K-开环 |
P66.X15S |
P66.X15K |
单位 |
|
运动自由度 |
X |
X |
|
|
|
驱动控制 |
1路驱动,1路传感 |
1路驱动 |
|
|
|
标称行程范围(0~120V) |
12 |
12 |
μm±10% |
|
|
Max.行程范围(0~150V) |
15 |
15 |
μm±10% |
|
|
闭/开环分辨率 |
1 |
0.5 |
nm |
|
|
闭环线性度 |
0.16 |
- |
%F.S. |
|
|
闭环重复定位精度 |
0.03 |
- |
%F.S. |
|
|
推/拉力 |
500/20 |
500/20 |
N |
|
|
刚度 |
28.8 |
28.8 |
N/μm±20% |
|
|
空载谐振频率 |
4350 |
4350 |
Hz±20% |
|
|
带载谐振频率@300g |
1070 |
1070 |
Hz±20% |
|
|
承载能力 |
水平安装 |
1 |
1 |
kg |
| 立式安装 | 0.5 | 0.5 | ||
| 倒置安装 | 1 | 1 | ||
|
闭/开环空载阶跃时间 |
8@300g |
2 |
ms±20% |
|
|
静电容量 |
3.2 |
3.2 |
μF±20% |
|
|
材料 |
不锈钢、铝合金 |
不锈钢、铝合金 |
|
|
|
重量 |
265 |
265 |
g±5% |
|
| 连接器 |
驱动:J14A-9TJL 传感:J14A-15TJL |
驱动:J14A-9TJL |
|
|
| 安装方向 |
水平安装 |
立式安装 |
倒置安装 |
| 释义 |
将PZT平台水平放置安装,运动面位于PZT
平台的上方,运动面与水平面平行。 PS:参数表中承载能力默认方向 |
将PZT平台立式放置安装,运动面与重力方向平行 PS:存在多种立式安装方式,技术参数对应最低承载 |
将PZT平台水平放置,但运动面位于定位台的下方 |
| 示意图 |
![]() |
![]() |
![]() |
| 备注 |
当安装方式选择为立式安装时,需注意出线口 |
||
|
|
||||||||||||
应用案例

|
硬盘测试
|
显微镜探针校准
|
迈克尔逊干涉仪
|


