
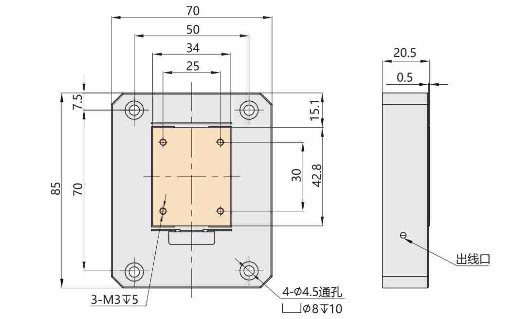
P66.X2K为一款一维真空高分辨率压电纳米定位台。该产品采用直驱结构,可在X向实现2.4μm位移,承载可达1kg。它尺寸为70mm×85mm×20.5mm,体积非常小巧,可在体积有限的空间中使用。定制航空连接器,可在真空环境下使用。
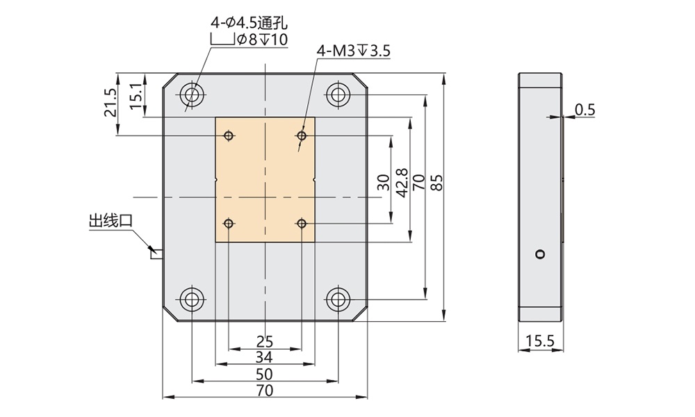
P66.X5K为一款高分辨率压电纳米定位台。该产品采用压电陶瓷直驱,可在X向实现4.7μm位移,水平方向安装承载可达2kg。体积小巧,结构紧凑,尺寸仅为85×70×15.5mm^3,,适于在体积有限的空间中使用。该产品分辨率可达0.005nm,阶跃时间可达1毫秒,适于高精度快速响应应用。
产品特点

|
|
|
|
|
产品应用

|
|
|
|
|
|
推荐控制器
|
P66.X5K 电压-位移曲线
|
| 技术参数 | ||||
|
型号 |
P66.X2K |
P66.X5K |
单位 |
|
|
运动自由度 |
X |
X |
|
|
|
驱动控制 |
1路驱动 |
1路驱动 |
|
|
|
标称行程范围(0~120V) |
1.9 |
3.8 |
μm±10% |
|
|
Max.行程范围(0~150V) |
2.4 |
4.7 |
μm±10% |
|
|
开环分辨率 |
0.002 |
0.005 |
nm |
|
|
空载谐振频率 |
6.4 |
2 |
kHz±20% |
|
|
带载谐振频率 |
5@20g |
0.4@2kg |
kHz±20% |
|
|
阶跃时间 |
2 |
1 |
ms±20% |
|
|
静电容量 |
0.58 |
0.38 |
μF±20% |
|
|
工作温度范围 |
-20~80 |
-20~80 |
℃ |
|
|
承载能力 |
水平安装 | 1 |
2 |
kg |
|
立式安装 |
1 | 1.5 | ||
|
倒置安装 |
1 | 2 | ||
| 材质 | 不锈钢、铝合金 |
不锈钢、铝合金 |
|
|
| 出线长 | - |
1.5 |
m±10mm |
|
| 重量 | 310 |
240 |
g |
|
| 安装方向 |
水平安装 |
立式安装 |
倒置安装 |
| 释义 |
将PZT平台水平放置安装,运动面位于PZT
平台的上方,运动面与水平面平行。 PS:参数表中承载能力默认方向 |
将PZT平台立式放置安装,运动面与重力方向平行 PS:存在多种立式安装方式,技术参数对应最低承载 |
将PZT平台水平放置,但运动面位于定位台的下方 |
| 示意图 |
![]() |
![]() |
![]() |
| 备注 |
当安装方式选择为立式安装时,需注意出线口 |
||
|
|
||||||||||||
|
|
||||||||||||
应用案例

|
硬盘测试
|
显微镜探针校准
|
迈克尔逊干涉仪
|


