
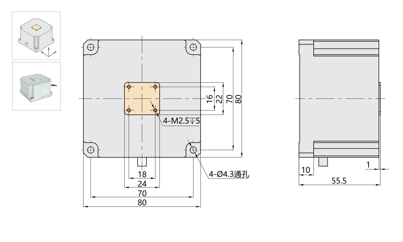
P66.XZ100Y30系列高分辨率压电纳米定位台内置高性能压电陶瓷,可在三维方向实现X125/Y35/Z105μm位移。平台内部采用无摩擦柔性铰链导向机构,一体化的结构设计。闭环版本传感器使用全桥配置以消除热漂移,确保了纳米级定位精度和重复度。
产品特点

|
|
|
|
|
产品应用

|
|
|
|
|
|
|
|
|
|
| 技术参数 | ||||
|
型号 |
尾缀S-闭环
尾缀K-开环
|
P66.XZ100Y30S |
P66.XZ100Y30K |
单位 |
|
运动自由度 |
X、Y、Z |
X、Y、Z |
|
|
|
驱动控制 |
3路驱动,3路传感 |
3路驱动 |
|
|
|
标称行程范围(0~120V) |
X100/Y28/Z85 |
X100/Y28/Z85 |
µm±10% |
|
|
Max.行程范围(0~150V) |
X125/Y35/Z105 |
X125/Y35/Z105 |
µm±10% |
|
|
传感器类型 |
SGS |
- |
|
|
|
闭/开环分辨率 |
XZ4/Y1.2 |
XZ1.5/Y0.5 |
nm |
|
|
闭环线性度 |
X0.036/Y0.019/Z0.15 |
- |
%F.S. |
|
|
闭环重复定位精度 |
X0.017/Y0.022/Z0.165 |
- |
%F.S. |
|
|
俯仰/滚动/偏航 |
XY<5,Z<25 |
XY<5,Z<25 |
μrad |
|
|
空载谐振频率 |
X270/Y475/Z560 |
X270/Y475/Z560 |
Hz±20% |
|
|
带载谐振频率@300g(立式安装) |
X140/Y230/Z400 |
X140/Y230/Z400 |
Hz±20% |
|
|
承载能力 |
水平安装 |
1 |
1 |
kg |
| 立式安装 | 0.5 | 0.5 | ||
| 倒置安装 | 0.5 | 0.5 | ||
|
闭/开环空载阶跃时间 |
XZ40/Y10@300g |
XZ15/Y5 |
ms±20% |
|
|
静电容量 |
XY7/Z14 |
XY7/Z14 |
μF±20% |
|
|
工作温度范围 |
-20~65 |
-20~65 |
℃ |
|
|
重量(含线) |
800 |
800 |
g±5% |
|
|
材质 |
钢、铝 |
钢、铝 |
|
|
| 安装方向 |
水平安装 |
立式安装 |
倒置安装 |
| 释义 |
将PZT平台水平放置安装,运动面位于PZT
平台的上方,运动面与水平面平行。 PS:参数表中承载能力默认方向 |
将PZT平台立式放置安装,运动面与重力方向平行 PS:存在多种立式安装方式,技术参数对应最低承载 |
将PZT平台水平放置,但运动面位于定位台的下方 |
| 示意图 |
![]() |
![]() |
![]() |
| 备注 |
当安装方式选择为立式安装时,需注意出线口 |
||
|
|
||||||||||||
应用案例

|
硬盘测试
|
显微镜探针校准
|
迈克尔逊干涉仪
|


