
芯明天压电快反镜非常适用于精密光路调节,为使其适应卫星激光通信、图像稳定等航空航天应用环境,芯明天专门研发设计了宇航级压电快反镜/偏转镜,可广泛应用于电信、物联网、导航、气象、地球监测、环境监测等航空航天领域。
芯明天宇航级压电快反镜/偏转镜进行了特殊的设计和选材,通过了《GJB150.18A-2009军用装备实验室环境试验方法第18部分冲击试验》及《GJB150.16A-2009军用装备实验室环境试验方法第16部分振动试验》标准的冲击试验、振动试验,并通过了等效长达18年的加速寿命试验。
产品特点

|
|
|
|
|
|
选型指南
|
加速寿命试验
|
加速寿命试验
|
| 技术参数 | |||||||
|
型号 |
P33H.T2S38Y |
P33H.T4S50Y |
S37H.T2S37F |
S37H.T4S55F |
S38H.T2S29Y |
S38H.T4S47Y |
备注 |
|
偏转范围(单级) (0~100V) |
≥2.5mrad |
≥5mrad |
≥2.5mrad |
≥5mrad |
≥2.4mrad |
≥4.6mrad |
机械角,每轴 |
|
负载尺寸 |
直径25mm×5mm |
直径25mm×5mm |
直径25mm×5mm |
直径25mm×5mm |
直径25mm×5mm |
直径25mm×5mm |
负载采用粘接安装 |
|
驱动电压 |
0-100V |
0-100V |
0-100V |
0-100V |
0-100V |
0-100V |
|
|
驱动控制 |
3路驱动、2路传感 |
3路驱动、2路传感 |
3路驱动、2路传感 |
3路驱动、2路传感 |
3路驱动、2路传感 |
3路驱动、2路传感 |
|
|
运动维度 |
二维θx、θy |
二维θx、θy |
二维θx、θy |
二维θx、θy |
二维θx、θy |
二维θx、θy |
|
|
传感方式 |
SGS |
SGS |
SGS |
SGS |
SGS |
SGS |
电阻应变片 |
|
空载谐振频率 |
>2.9KHz |
>1.5KHz |
>6.5KHz |
>6.3KHz |
>2.0KHz |
>1.5KHz |
不含镜片 |
|
重复定位精度 |
≤1.5μrad |
≤3μrad |
≤1μrad |
≤1.5μrad |
≤1.5μrad |
≤14μrad |
光学,单轴 RMS |
|
闭环线性度 |
0.1%F.S. |
0.2%F.S. |
0.1%F.S. |
0.1%F.S. |
0.4%F.S. |
0.4%F.S. |
|
|
角分辨率(开环) |
≤0.05μrad |
≤0.15μrad |
≤0.05μrad |
≤0.15μrad |
≤0.05μrad |
≤0.15μrad |
|
|
角分辨率(闭环) |
≤0.75μrad |
≤1.5μrad |
≤0.75μrad |
≤1.5μrad |
≤0.75μrad |
≤1.5μrad |
光学,单轴 RMS |
|
单轴静电容量 |
3.6μF |
7.2μF |
3.6μF |
7.2μF |
3.6μF |
7.2μF |
标称值,±10%误差 |
|
辐照总剂量 |
≥100krad(Si) |
≥100krad(Si) |
≥100krad(Si) |
≥100krad(Si) |
≥100krad(Si) |
≥100krad(Si) |
相关试验按照航天行业标准
QJ10004 执行
|
|
温 度 |
工作温度:-25℃~60℃
存储温度:-40℃~80℃
|
工作温度:-25℃~60℃
存储温度:-40℃~80℃
|
工作温度:-25℃~60℃
存储温度:-40℃~80℃
|
工作温度:-25℃~60℃
存储温度:-40℃~80℃
|
工作温度:-25℃~60℃
存储温度:-40℃~80℃
|
工作温度:-25℃~60℃
存储温度:-40℃~80℃
|
|
|
使用寿命 |
≥15年 |
≥15年 |
≥15年 |
≥15年 |
≥15年 |
≥15年 |
|
|
失效率 |
≤240Fit |
≤240Fit |
≤240Fit |
≤240Fit |
≤240Fit |
≤240Fit |
|
|
冲击试验 |
1000g |
1000g |
1000g |
1000g |
1000g |
1000g |
|
|
正弦振动试验 |
10g |
20g |
20g |
10g |
20g |
20g |
|
|
随机振动试验 |
8.46g |
20g |
20g |
8.46g |
20g |
20g |
|
|
加速寿命试验 |
2736h,等效18年 |
2328h,等效15年 |
2328h,等效15年 |
2328h,等效15年 |
2328h,等效15年 |
2328h,等效15年 |
试验后,产品依然工作正常 |
|
机构质量 |
≤120g |
≤200g |
≤200g |
≤250g |
≤80g |
≤80g |
±20%,含1m电缆 |
|
材 质 |
钛合金 |
钛合金 |
钛合金 |
钛合金 |
钛合金 |
钛合金 |
|
|
机构本体尺寸 |
≤Φ25mm×38mm |
≤Φ25mm×50mm |
≤35mm×35mm×37mm |
≤35mm×35mm×55mm |
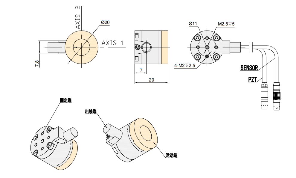
≤Φ20mm×29mm |
≤Φ20mm×47mm |
|
|
用线 |
航天单芯线+航天6芯线 |
航天单芯线+航天6芯线 |
航天单芯线+航天6芯线 |
航天单芯线+航天6芯线 |
6芯低压屏蔽线+4芯硅胶屏蔽线(白色软线) |
6芯低压屏蔽线+4芯硅胶屏蔽线(白色软线) |
|
|
|
||||||||||||
|
|
||||||||||||
|
|
|
||||||||||||
|
|
||||||||||||
|
|
||||||||||||
|
|
||||||||||||
第三方测试报告



