
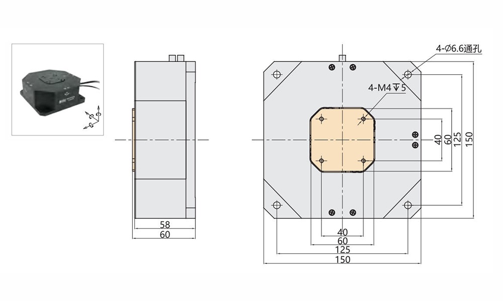
H63.XYZTR2S/K是X、Y、Z、θx、θy、θz 六轴运动压电纳米定位台,可产生六轴的超精密运动,适用于静态定位和动态调姿。其内置高性能压电陶瓷,可实现XYZ30μm/轴的直线位移和θxθy2/θz2.5mrad的偏转角度。闭环版本采用全桥设计避免了温度的漂移,确保了纳米级定位精度。
产品特点

|
|
|
|
|
承载可达5kg
|
|
|
|
产品应用

|
|
|
|
|
| 技术参数 | |||
|
型号 |
H63.XYZTR2S |
H63.XYZTR2K |
单位 |
|
运动方向 |
X、Y、Z、θx、θy、θz |
X、Y、Z、θx、θy、θz |
|
|
驱动控制 |
7 路驱动,6路传感 |
7路驱动 |
|
|
XYZ 标称行程范围(0~120V) |
24/轴 |
24/轴 |
μm±10% |
|
XYZ Max.行程范围(0~150V) |
30/轴 |
30/轴 |
μm±10% |
|
θxθyθz轴标称偏转角度 (0~120V) |
θxθy1.6(≈330秒)/ θz2(≈412秒) |
θxθy1.6(≈330秒)/ θz2(≈412秒) |
mrad±10% |
|
θxθyθz轴偏转角度 (0~150V) |
θxθy2(≈412秒)/ θz2.5(≈516秒) |
θxθy2(≈412秒)/ θz2.5(≈516秒) |
mrad±10% |
|
传感器 |
SGS |
- |
|
|
闭/开环直线分辨率 |
1 |
1 |
nm |
|
闭/开环偏转分辨率 |
0.1(≈0.02秒) |
0.1(≈0.02秒) |
μrad |
|
闭环线性度 |
XY0.07/Z0.19/
θx0.07/θyθz0.1
|
- |
%F.S. |
|
闭环重复定位精度 |
X0.02/Y0.03/Z0.09/
θx0.05/θy0.04/θz0.03
|
- |
%F.S. |
|
空载谐振频率 |
X465/Y295/Z445/
θx230/θy305/θz230
|
X465/Y295/Z445/
θx230/θy305/θz230
|
Hz±20% |
|
带载谐振频率@5kg |
X161/Y115/Z107/
θx22/θy24/θz45
|
X161/Y115/Z107/
θx22/θy24/θz45
|
Hz±20% |
|
承载能力 |
5 |
5 |
kg |
|
静电容量 |
X7.2/Y7.5/Z31.2/
θxθy1.1/θz17.7
|
X7.2/Y7.5/Z31.2/
θxθy1.1/θz17.7
|
μF±20% |
|
闭环阶跃时间 |
XYZ160/θxθyθz400
@1Hz,固定幅值
|
- |
ms±20% |
|
材质 |
不锈钢、铝合金 |
不锈钢、铝合金 |
|
|
重量 |
2.5(不含线) |
2.5(不含线) |
kg±5% |
|
|
||||||||||||
应用案例

|
晶圆表面检测
|


