
E80.C1K-H为1通道,开环版本控制器,输出电压范围为0~120V,可通过上位机软件进行控制。适用于驱动压电移相器产品。
产品特点

|
|
|
|
|
|
接口介绍及引脚定义 ![]() |
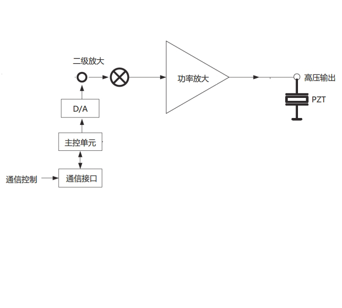
功能框图 ![]() |
| 技术参数 | |
|
型号 |
E80.C1K-H |
|
功能 |
数字式控制器 |
|
通道数 |
1 |
|
标称输出电压范围(V) |
0~120 |
|
峰值电流(A) |
1 |
|
平均电流(mA) |
60 |
|
放大器带宽(Hz) |
10K |
|
纹波(mVpp) |
10(加载2.2μF) |
|
驱动输出连接器 |
LEMO ERA.00.250.CTL 单芯 |
|
通信连接器 |
XH2.54-5P |
|
通信接口 |
RS-422 |
|
处理器 |
32bit 168MHz |
|
D/A转换器 |
16bit |
|
工作温度范围(℃) |
0~50 |
|
输出短路电流(mA) |
60 |
|
静态功耗(W) |
5 |
|
重量(g) |
116 |
|
供电输入电压 |
24V DC/1A(20V~30V) |
|
|
||||||||||||


