
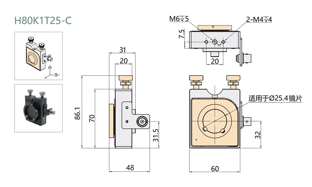
H80K1-C系列集成镜架压电促动器共有2种型号可供选择,分别为H80K1T25-C(标准可安装镜片直径为25.4mm)和H80K1T35-C(标准可安装镜片直径为35mm)。其内部由压电陶瓷管驱动,可通过直流电压信号来实现控制,在150V电压下产生的位移约0.6µm,可用于快速步进移相应用。
该集成镜架压电促动器专为像移应用而设计,可通过电压控制进行超快速(µs级)步进调节,同时,可通过手动调节θx、θy两轴的偏转角度,角度调节范围可达±3°。将镜片调节与像移步进相结合,使其更方便于像移、干涉测量等应用。
产品特点

|
|
|
|
|
|
|
|
电压-位移曲线
|
产品应用

|
|
|
|
|
|
|
|
|
|
芯明天可提供各种用于移相、步进、干涉、计量等的压电式移相器,例如超小体积型、带有通光孔型、大负载型、大口径式等,可完 全根据客户的实际应用定制设计。
| 技术参数 | ||||
|
型号 |
H80K1T25-C |
H80K1T35-C |
单位 | |
|
运动自由度 |
压电驱动 |
Z |
Z |
|
|
手调 |
θx、θy |
θx、θy |
|
|
|
压电直线行程 |
0.6 |
0.6 |
μm±10% |
|
|
手调θx θy偏转角度 |
±3 |
±3 |
°/轴 |
|
|
空载谐振频率 |
47.8 |
47.8 |
kHz±20% |
|
|
静电容量 |
40 |
40 |
nF±20% |
|
|
标准可安装镜片直径 |
Φ25.4(可定制) |
Φ35(可定制) |
mm |
|
|
最大驱动电压 |
0~150 |
0~150 |
V |
|
|
重量 |
265 |
270 |
g±5% |
|
|
|
||||||||||||
|
|
||||||||||||


