
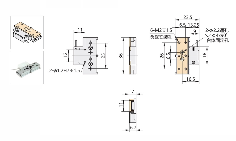
芯明天超声压电马达位移台是利用超声谐振驱动原理,通过PZT压电陶瓷的逆压电效应,产生超声波频率的机械振动,再通过摩擦驱动的结构设计,使其产生直线运动。由于超声波的频率超出了人的听觉范围,所以超声压电马达位移台在运行过程中几乎无噪声。在结构设计上,超声压电马达的体积更为小巧,可达厘米级行程,纳米级精度,且响应速度快,可断电自锁。
N59.30K超声压电马达位移台可在X向产生±15mm位移,分辨率可达50nm,结构紧凑,非常适于集成。同时受外界的电磁干扰和噪声影响较小,运动速度快,步进小,均匀稳定,具有高性价比。可搭配芯明天E66.A2K-H 压电马达控制板卡配合使用,可外部输入PWM 信号控制。
产品特点

|
|
|
|
|
|
|
|
|
可选真空版、二维运动版本
|
产品应用

|
|
|
|
|
|
|
|
|
原子力显微镜
|
半导体的精密定位和微纳操作等
|
小负载、大行程纳米定位
|
|
|
| 技术参数 | ||
|
型号 |
N59.30K |
单位 |
|
运动自由度 |
X |
|
|
标称行程范围 |
30或±15 |
mm |
|
速度上限 |
25 |
mm/s±20% |
|
分辨率 |
50 |
nm±20% |
| 负载能力 | 0.2 | kg |
|
工作温度 |
0~50 |
℃ |
|
材质 |
铝、不锈钢 |
|
| 重量 |
15(不含线) |
g±10% |
| 电缆长度 | 1.5 | m±10mm |
|
推荐控制器 |
E66.A2K-H |
|
|
|
|||||||||||||


