
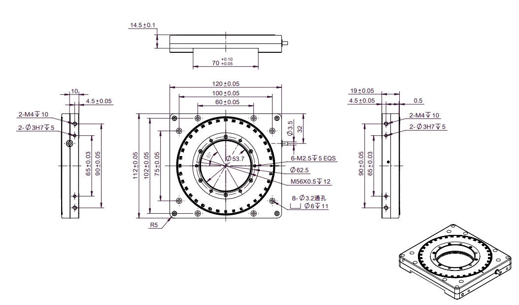
N61.E/K56压电马达旋转台是由压电陶瓷驱动的压电步进直驱马达,利用特殊机械结构设计,可将压电陶瓷产生的直线微位移转换为机械平面的宏观角度旋转运动。可产生360度双向旋转运动,旋转分辨率可达1μrad。它的外观很薄,非常适于集成。可搭配E53小体积压电马达控制器使用,利用上位机软件操作,更便捷。可定制。
产品特点

|
|
|
|
|
|
|
|
|
|
| 技术参数 | |||
|
型号 |
N61.E56 |
N61.K56 |
单位 |
|
运动自由度 |
360,双向 |
360,双向 |
° |
|
集成传感器类型 |
光栅传感器 |
- |
|
|
速度上限 |
5 |
5 |
°/s±20% |
|
中心负载能力 |
1 |
1 |
kg |
|
分辨率 |
1 |
5 |
μrad±20% |
|
重复定位精度 |
0.001 |
- |
°±20% |
|
偏心量 |
0.02 |
0.02 |
mm |
|
电缆长度 |
1.5 |
2 |
m±10mm |
|
工作温度 |
10~40 |
10~40 |
℃ |
|
储存温度 |
-10~40 |
-10~40 |
℃ |
|
台体材料 |
钢、铝 |
钢、铝 |
|
|
质量 |
640 |
615 |
g±5% |
|
推荐控制器 |
E53.D1E-J |
E53.C1K-J |
|
|
|
||||||||||||


