
P77.100S/K85大负载压电纳米定位台/移相器是专为光学检测移相应用而设计,行程范围可达100µm,负载能力可高达3kg,非常适于各种镜片、镜头的光学检测设备。可依据客户的设备应用要求量身定制。
产品特点

|
|
|
|
|
真空版本可选 |
|
|
|
产品应用

|
|
|
|
|
|
|
|
|
|
| 技术参数 | |||||
|
型号 |
P77.100S85 |
P77.100K85
|
单位 |
||
|
运动自由度 |
Z |
Z |
|
||
|
标称行程范围(0~120V) |
80 |
80 |
μm±10% |
||
|
Max.行程范围(0~150V) |
100 |
100 |
μm±10% |
||
|
传感器类型 |
SGS |
- |
|
||
|
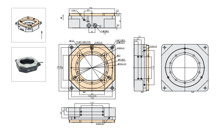
通孔尺寸 |
Φ85 |
Φ85 |
mm |
||
|
闭/开环分辨率 |
5 |
1.5 |
nm |
||
|
俯仰/偏航/滚动 |
<5 |
<5 |
μrad |
||
|
推/拉力 |
- |
- |
N |
||
|
空载谐振频率 |
190 |
190 |
Hz±20% |
||
|
空载阶跃时间 |
20@10μm,1.2kg |
5 |
ms±20% |
||
|
承载能力 |
水平安装 | 3 |
3 |
kg |
|
| 立式安装 | 1 | 1 | |||
| 倒置安装 | 1 | 1 | |||
|
静电容量 |
14.4 | 14.4 |
μF±20% |
||
|
材质 |
铝、铜 |
铝、铜 |
|
||
|
重量 |
2000 |
2000 |
g±5% |
||
|
工作温度范围 |
-20~80 |
-20~80 |
℃ |
||
|
出线长 |
1.5 |
1.5 |
m±10mm |
||
注:以上参数是采用E00/E01系列压电控制器测得,驱动电压可在-20V~150V;对于高可靠的长期使用,建议驱动电压在0~120V。
| 安装方向 |
水平安装 |
立式安装 |
倒置安装 |
| 释义 |
将PZT平台水平放置安装,运动面位于PZT
平台的上方,运动面与水平面平行。 PS:参数表中承载能力默认方向 |
将PZT平台立式放置安装,运动面与重力方向平行 PS:存在多种立式安装方式,技术参数对应最低承载 |
将PZT平台水平放置,但运动面位于定位台的下方 |
| 示意图 |
![]() |
![]() |
![]() |
| 备注 |
当安装方式选择为立式安装时,需注意出线口 |
||
|
|
||||||||||||
应用案例

|
笼式结构
|
低温真空
|
纳米压印
|
|
超分辨率显微成像
|
红外超分辨率成像
|
激光直写
|
|
提高CCD分辨率
|
干涉测量
|
显微镜探针校准
|
|
纳米光刻
|


