
P15 压电纳米定位台是快速、高精度的二维及三维扫描和纳米定位台,具 有非常高的直线度。多种中心通孔可选,非常适于透射光应用,如近场 扫描、共焦显微镜和掩模定位。P15 压电扫描台多种行程可选, 它的内部采用有限元分析(FEA)优化的线切割挠曲铰链结构。FEA 使其 设计具有尽可能高的刚度,并使线性和角度跳动最小化。
产品特点

|
|
|
|
|
|
|
|
|
|
产品应用

|
|
|
|
|
|
|
|
|
|
| 技术参数 | ||||||||
|
型号 |
尾缀S-闭环 |
P15.XYZ100S P15.XYZ100K |
P15.XYZ120S P15.XYZ120K |
P15.XYZ300S
P15.XYZ300K |
P15.XYZ300S-A
P15.XYZ300K-A |
P15.XYZ300S-C |
P15.XY500Z200S
P15.XY500Z200K
|
单位 |
|
运动自由度 |
X、Y、Z |
X、Y、Z |
X、Y、Z |
X、Y、Z |
X、Y、Z |
X、Y、Z |
|
|
|
驱动控制 |
3 路驱动,3路传感 |
4 路驱动,3路传感 |
3 路驱动,3路传感 |
4 路驱动,3路传感 |
4 路驱动,3路传感 |
3路驱动,3路传感 |
|
|
|
标称行程范围(0~120V) |
100/ 轴 |
XY±50 Z100 |
240/ 轴 |
XY±120/ 轴 Z240 |
XY±120/ 轴 Z240 |
XY400/Z160 |
μm±10% |
|
|
Max.行程范围(0~150V) |
120/ 轴 |
XY±60 Z120 |
300/ 轴 |
XY±150/ 轴 Z300 |
XY±150/ 轴 Z300 |
XY500/Z200 |
μm±10% |
|
|
传感器类型 |
SGS/- |
SGS/- |
SGS/- |
SGS/- |
SGS/- |
SGS/- |
|
|
|
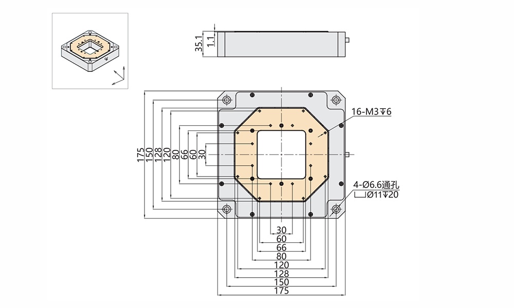
通孔尺寸 |
60×60 |
60×60 |
66×66 |
66×66 |
66×66 |
66×66 |
mm |
|
|
闭/开环分辨率 |
3.5/1 |
3.5/1 |
8/2.5 |
8/2.5 |
8/2.5 |
15/10 |
nm |
|
|
闭环线性度 |
0.2/- |
0.2/- |
0.2/- |
0.2/- |
0.2/- |
0.3/- |
%F.S. |
|
|
闭环重复定位精度 |
0.1/- |
0.1/- |
0.1/- |
0.15/- |
0.15/- |
0.2/- |
%F.S. |
|
|
俯仰/偏航/滚动 |
<30 |
30 |
<30 |
<100 |
<150 |
<30 |
μrad |
|
|
推/拉力 |
100/20 |
XY150/20 Z100/20 |
50/10 |
200/10 |
200/10 |
100/10 |
N | |
|
运动方向刚度 |
0.8 |
1.6/1.6/0.8 |
0.1 |
1 |
1 |
0.3 |
N/μm±20% |
|
|
空载谐振频率 |
300/350/400 |
389/355/400 |
140/170/220 |
180/200/200 |
190/145/249 |
140/170/150 |
Hz±20% |
|
|
带载谐振频率 |
- |
- |
- |
49/49/69 (@5kg) |
145/110/145 (@300g) |
- |
Hz±20% |
|
|
闭 / 开环空载阶跃时间 |
- |
- |
60/10 |
- |
- |
- |
ms±20% |
|
|
承载能力 |
水平安装 |
1 |
2 |
0.5 |
5 |
3 |
5 |
kg |
| 立式安装 | 0.5 | 1 | 0.05 | 1 | 0.5 | 0.5 | ||
| 倒置安装 | 0.5 | 1 | 0.5 | 1 | 0.5 | 5 | ||
|
静电容量 |
XY7.2,Z14.4 |
14.4 |
XY10.8/Z13.2 |
21.6/21.6/43 |
21.6/轴 |
XY18/Z28.8 |
μF±20% |
|
|
材质 |
钢、铝 |
钢、铝 |
铝 |
钢、铝 |
钢、铝 |
钢、铝 |
|
|
|
重量 |
0.7 |
0.7 |
0.83 |
- |
- |
1.8 |
kg±5% |
|
** 可定制超低温版本及超高真空版本。
***连接器可定制。
注:以上所提参数与测试环境、测试设备有关。
注:以上参数是采用E00/E01系列压电控制器测得,驱动电压可在-20V~150V;对于高可靠的长期使用,建议驱动电压在0~120V。
| 安装方向 |
水平安装 |
立式安装 |
倒置安装 |
| 释义 |
将PZT平台水平放置安装,运动面位于PZT
平台的上方,运动面与水平面平行。 PS:参数表中承载能力默认方向 |
将PZT平台立式放置安装,运动面与重力方向平行 PS:存在多种立式安装方式,技术参数对应最低承载 |
将PZT平台水平放置,但运动面位于定位台的下方 |
| 示意图 |
![]() |
![]() |
![]() |
| 备注 |
当安装方式选择为立式安装时,需注意出线口 |
||
|
|
|
|
|
|
||||||||||||||||||||||||||||||||||||
应用案例

|
笼式结构
|
低温真空
|
纳米压印
|
|
超分辨率显微成像
|
红外超分辨率成像
|
激光直写
|
|
提高CCD分辨率
|
干涉测量
|
显微镜探针校准
|
|
纳米光刻
|


