
在半导体制造、精密光学、高端科研等领域,纳米级精密驱动是突破技术瓶颈的核心关键。芯明天高性能低压压电陶瓷片/叠堆堆栈,以低电压驱动、大行程输出、高可靠性、全场景适配的核心优势,为各类精密驱动场景提供优质解决方案。
一、低压压电陶瓷片/叠堆堆栈
Piezo · Nano · Motion
1.压电陶瓷片
片状压电陶瓷采用优质PZT5A材料制成。单片的标准厚度为2mm,有方形或环形结构。在电压驱动下,单片即可产生3.3μm的位移,这一特性使其成为精密控制系统的理想选择。

工艺结构
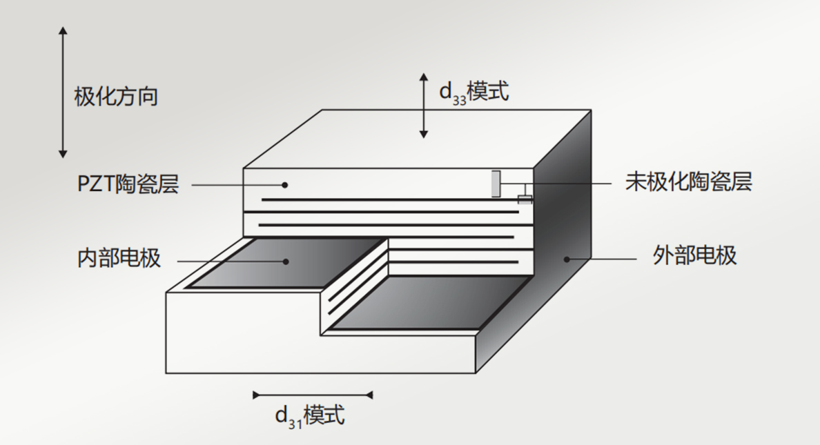
该低压压电陶瓷片的内部结构如下图所示,它的内部是陶瓷层与电极层交叉叠堆而成,左右两侧为正负电极面,上下面为绝缘陶瓷材料。

2.压电陶瓷叠堆堆栈
为了获得更大的输出位移,我们将多片压电陶瓷片进行精密叠堆,并焊接公共电极。通过这种结构,总位移是每片位移的累加,标准产品中叠堆后位移可达128.7μm,可定制更高规格。

此外,针对超高真空环境,我们提供定制UHV版本,其耐压能力可达10^-10Torr(1.33×10^-10mbar),此条件可满足科研与半导体环境需求。

我们的技术优势在于灵活的定制化能力,堆栈式压电陶瓷的核心优势源于单片成熟可控的精密叠堆工艺,并且高度自由选择。此外,在压电陶瓷叠堆堆栈的上下面各有一片1mm厚的非极化的陶瓷绝缘片,在移动端与导电材料接触时,它可有效隔绝两端短路风险。
定制选项
同侧电极:便于在狭小空间内布线。
中心开孔:支持光学透光或机械固定。
高平面度:可定制5μm平面度。

二、高频工作注意事项
Piezo · Nano · Motion
产品可适配高频往复驱动、高速动态调节等应用场景,针对高频使用中的风险,需要注意以下四个关键点,以确保器件的长期可靠运行:
1.高频工作会导致陶瓷自身发热。当温度超过150℃时,电极可能会发生脱落。
2.高加速度运行会对引线产生机械力。推荐使用导电胶等合适的电连接方式,以缓冲应力。
3.高频使用会对压电陶瓷堆栈产生拉力,需对压电陶瓷堆栈增加预紧力。预载力取决于应用,但通常为5~10MPa压力。
4.高频使用要求大电流。需要确保引线可以工作在所要求的电流范围。标准引线可承受电流最高1.4A。
三、工作温度环境
Piezo · Nano · Motion
压电陶瓷堆栈致动器拥有极宽的工作温度范围,适用于从深空探测到高温工业的各类场景。正常范围:4mK至470K(约200℃),需要注意的是:
高温风险:当环境温度超过150℃时,虽然陶瓷本身耐温极高,但电极存在脱落风险,需特别注意散热。
低温特性:在接近绝对零度的极低温(4K)环境下,压电陶瓷的性能会下降,约为室温性能的10%。若需在低温下进行动态操作,必须更换专用的低温引线,以保证电气连接的可靠性。

位移随温度变化曲线
四、高频功率与电流计算
Piezo · Nano · Motion
压电陶瓷堆栈只有在动态操作时要求功率/电流。放大器输出电流和上升时间决定压电陶瓷堆栈的工作频率上限。
正弦驱动平均电流:Iave=f×C×Up-p,正弦操作峰值电流:Imax=π×fmax×C×Up-p,其中:Iave=放大器平均电流,Imax=放大器峰值电流,fmax=最大工作频率,C=陶瓷的静电容量,Up-p=峰峰值驱动电压,f=工作频率。
五、产品技术参数范围
Piezo · Nano · Motion

|
名称 |
方形压电陶瓷片 |
|
长L |
2mm~20mm |
|
宽W |
2mm~20mm |
|
高H |
通常为2mm,部分为1mm |
|
驱动电压 |
0~60V/150V/200V |
|
位移 |
1.5μm~3.3μm |
|
静电容量 |
25nF~1800nF |
|
刚度 |
51N/μm~5091N/μm |
|
推力 |
168N~16800N |
|
谐振频率 |
>486kHz |
|
重量 |
0.07g~6.4g |

|
名称 |
方形压电陶瓷堆栈 |
|
长L |
2mm~15mm |
|
宽W |
2mm~15mm |
|
高H |
4mm~80mm |
|
驱动电压 |
0~60V/150V/200V |
|
位移 |
1.8μm~128.7μm |
|
静电容量 |
20nF~34050nF |
|
刚度 |
2864N/μm~7N/μm |
|
推力 |
168N~9450N |
|
谐振频率 |
>250kHz~13.5kHz |
|
工作温度上限 |
150℃~200℃ |

|
名称 |
环形压电陶瓷片 |
|
外径 OD |
6mm~20mm |
|
内径 ID |
2mm~12mm |
|
高H |
2mm |
|
驱动电压 |
0~200V |
|
位移 |
3.3μm |
|
静电容量 |
105nF~890nF |
|
刚度 |
321N/μm~2561N/μm |
|
推力 |
1060N~8450N |
|
谐振频率 |
>486kHz |
|
重量 |
0.38g~3.13g |

|
名称 |
环形压电陶瓷堆栈 |
|
外径OD |
6mm~20mm |
|
内径ID |
2mm~12mm |
|
高H |
4mm~80mm |
|
驱动电压 |
0~200V |
|
位移 |
3.3μm~128.7μm |
|
静电容量 |
95nF~31240nF |
|
刚度 |
11N/μm~2561N/μm |
|
推力 |
1060N~8450N |
|
谐振频率 |
>248~14kHz |
1.E53.C1K-H压电控制器适用于驱动压电陶瓷片/叠堆堆栈,它是单通道开环压电控制器,采用数字和模拟控制,24VDC供电,静态功耗小于5W,通信接口为TYPE-C、RS-422、RS-232,操作便捷,尺寸仅148×80×27.5mm^3,外观体积小巧,结构紧凑,易于集成。

2.E01.C1是一款机箱式单通道压电陶瓷控制器,它能够为压电陶瓷提供高稳定性、高分辨率的电压,并具有较高的频率响应特性、极低的静态纹波电流。输出电压范围-20V~120V,带宽10kHz,可手动调节、模拟输入、自发波形控制,配备计算机串口/USB接口,液晶键盘显示,操作便捷。

更多详情欢迎致电芯明天0451-86268790、17051647888(微信同号)!


